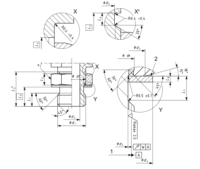
ISO 1179-3 Priključki za splošno rabo in fluidno moč - Vrata in konci čepov z navoji ISO 228-1 z elastomernim ali kovinsko-kovinskim tesnjenjem - 3. del: Lahki (serija L) konci z zaporko z O-tesnilom s pritrdilnim obročkom (vrste G in H)

Ta del standarda ISO 1179 določa dimenzije, zahteve za delovanje in preskusne postopke za nenastavljive in nastavljive lahke (L serija) koncev čepov z navoji ISO 228-1 s tesnenjem z O-tesnilom z zadrževalnim obročem (tipi G in H). ).

Lahki (L-serija) konci čepov v skladu s tem delom ISO 1179 se lahko uporabljajo pri delovnih tlakih do 31,5 MPa (315 bar) za nenastavljive konce čepov (tip G) in do 20 MPa (200) bar) za nastavljive konce čepkov (tip H). Dovoljeni delovni tlak je odvisen od velikosti, materialov, oblike, delovnih pogojev, uporabe itd.

Skladnost z informacijami o dimenzijah v tem delu standarda ISO 1179 ne zagotavlja najvišje zmogljivosti. Vsak proizvajalec mora opraviti preskuse v skladu s specifikacijami iz tega dela standarda ISO 1179, da zagotovi, da so sestavni deli, izdelani v tem delu standarda ISO 1179, skladni z ocenami zmogljivosti.
OPOMBA 1 Ta del standarda ISO 1179 velja za priključke, ki so podrobno opisani v standardu ISO 8434-2.
OPOMBA 2 Uvedba tega dela standarda ISO 1179 daje priporočila za pristanišča in konce žebljev, ki se uporabljajo za nove modele v hidravličnih in pnevmatskih pogonskih tehnikah.






